 
                    
                    
                    8 (800) 775 40 55
                        Звонок из регионов России
бесплатный!
                    бесплатный!
                        Профессиональный строительный инструмент и оборудование
                        
                            
                        
                    
                                            Каталог инструментов
                        
                        
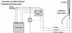
                                    Промышленный мини нагреватель воздуха Leister LE Mini
 
				
				
			Промышленный мини нагреватель воздуха Leister LE Mini (Ляйстер ЛЕ Мини) – самый маленький в мире промышленный нагреватель с отдельной подачей воздуха, отлично подходит для точечного нагрева и работы в ограниченном пространстве.
Производитель: LEISTER (ЛЯЙСТЕР) – Швейцария.
Преимущества промышленного мини нагревателя воздуха Leister LE Mini:
- Минимальные размеры
- Отдельная подача воздуха
- Встроенный датчик температуры
- Термовыключатель для защиты аппарата
| Изображение | Артикул | Наименование | 
| 107.282 | Фланцевая насадка, насаживается, a = 40 мм | |
| 107.144 | Стандартная насадка, насаживается, Ø 5 мм | |
| 107.145 | Стандартная насадка, насаживается, Ø 10 мм | |
| 107.152 | Угловая насадка, насаживается, Ø 12 мм | |
| 107.310 | Решетчатая рефлекторная насадка, насаживается, a × b: 20 × 35 мм | |
| 107.311 | Решетчатая рефлекторная насадка, насаживается, a × b: 50 × 35 мм | |
| 107.324 | Решетчатая рефлекторная насадка, насаживается на стандартную насадку Ø 5 мм, a = 10 мм | |
| 105.549 | Широкая щелевая насадка, насаживается, a × b: 10 × 2 мм, изогнутая | |
| 105.559 | Широкая щелевая насадка, насаживается, a × b: 20 × 2 мм, длина 55 мм | |
| 105.548 | Широкая щелевая насадка, насаживается, a × b: 40 × 5 мм | |
| 105.547 | Широкая щелевая насадка, насаживается, a × b: 50 × 8 мм | |
| 117.955 | Адаптер, навинчивается, для насадок LE 700 (LE Mini и LE Mini Sensor) | |
| 129.407 | Удлинительный кабель 2 м, со штепселем и муфтой (LE Mini Sensor и LE Mini Sensor Kit) | |
| 144.030 | Контрольный кабель, 1 м, на одном конце RJ45, другой конец неразделанный | |
| 144.028 | Контрольный кабель, 3 м, на одном конце RJ45, другой конец неразделанный | |
| 144.026 | Контрольный кабель, 5 м, на одном конце RJ45, другой конец неразделанный | 
Цена и технические характеристики промышленного мини нагревателя воздуха Leister LE Mini:
Технический паяльный фен
- 
					Алмазные коронки по железобетону Kern Diamond Bit Concrete Premium 132 ммДиаметр: 132 ммРабочая длина: 450 ммЦена: 13 600 руб.
- 
					Станок для гибки арматуры и спиралей Vpk ГС-36Мощность: 4 кВтСкорость протяжки: <= 8 м/минЦена: по запросу
- 
					Алмазная коронка для сухого бурения с микроударом Адель Diamond Hit DH-D400 132 ммДиаметр: 132 ммРабочая длина: 450 ммЦена: 12 700 руб.
- 
					Алмазная коронка для сухого бурения с микроударом Адель Diamond Hit DH-D400 32 ммДиаметр: 32 ммРабочая длина: 450 ммЦена: 5 200 руб.
- 
					Алмазная коронка для сухого бурения с микроударом Адель Diamond Hit DH-D400 92 ммДиаметр: 92 ммРабочая длина: 450 ммЦена: 9 900 руб.
- 
					Компрессор для промывки трубопроводов системы отопления Brexit BrexPulse Eco 1000Мощность: 1,1 кВтДавление: 8 барЦена: 85 050 руб.
- 
					Алмазная коронка для сухого бурения с микроударом Адель Diamond Hit DH-D400 32 ммДиаметр: 32 ммРабочая длина: 450 ммЦена: 5 200 руб.
Новости
- 
								21.11.2024Поступление желобонакатчиков GruvMaster - Новинка на Российском рынке!
- 
								27.12.2023С новым 2024 годом!
- 
								20.12.2022Режим работы в Новогодние праздники
- 
								12.10.2022ФСБ сообщила о попытке теракта с ПЗРК «Игла» в Подмосковье
- 
								08.12.2020Гибридная модель IBM для облачных вычислений
 
				







Отзывы
Оставьте Ваш отзыв